Правильные ответы к тесту «Цифровая схемотехника» (Профессиональный тест)
Пройти тест онлайнКликните по вопросу, чтобы узнать ответ
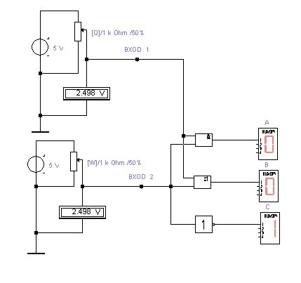
- Если в точке ВXOD 2 напряжение будет 2.6V? то какие сигналы будут на элементах А,В и С? Укажите где "0", а где "1"
- Определить частоту, период и амплитуду цифрового сигнала и выберите правильный ответ.
- Отметьте существующие типы логик. Можно использовать множественный выбор.
- Комбинации логических элементов
- Асинхронные RS триггеры. Какой из приведённых на схемах триггеров не является асинхронным RS триггером?
- Какой триггер изображен на рисунке?
- Работа триггера. Какой из светодиодов будет светиться после 4 го импульса. Красная метка - ориентир.
- Универсальные триггеры. Какой из указанных триггеров называют универсальный?
Если в точке ВXOD 2 напряжение будет 2.6V? то какие сигналы будут на элементах А,В и С? Укажите где "0", а где "1"
А, В и С 010
Определить частоту, период и амплитуду цифрового сигнала и выберите правильный ответ.
Частота 0.7 Гц, период 1.4304s и амплитуда 5.2V
Отметьте существующие типы логик. Можно использовать множественный выбор.
Резисторно-транзисторная логика
Интегрально-инжекторая логика
Комбинации логических элементов
При любых
Асинхронные RS триггеры. Какой из приведённых на схемах триггеров не является асинхронным RS триггером?
На всех схемах указан асинхронный RS триггер
Какой триггер изображен на рисунке?
Триггер задержки D
Работа триггера. Какой из светодиодов будет светиться после
4 го импульса. Красная метка - ориентир.
HL2
Универсальные триггеры. Какой из указанных триггеров называют универсальный?
JCK
JK